Rp4.700.000 PPh PPN 12%

Pemasangan Cermin Cembung

Rp4.700.000 PPh PPN 12%
Gratis Ongkir Ke : 514 Kabupaten / Kota, Lihat
Stok Produk : 100
CV. PRAMULYATAMA Kab. Sragen PKP mikro

Penilaian Produk

Nilai Rata-rata Belum ada Penilaian
Jumlah Ulasan Belum ada Penilaian

Spesifikasi Produk

SKU
Garansi 180 Hari Kalender
Dimensi 0cm x 0cm x 0cm
Berat 0g
Produk Non-UMKM
Buatan Dalam Negri
KBKI -
Sertifikat TKDN
TKDN 0.00%
BMP 0.00%
TKDN + BMP 0%

Deskripsi

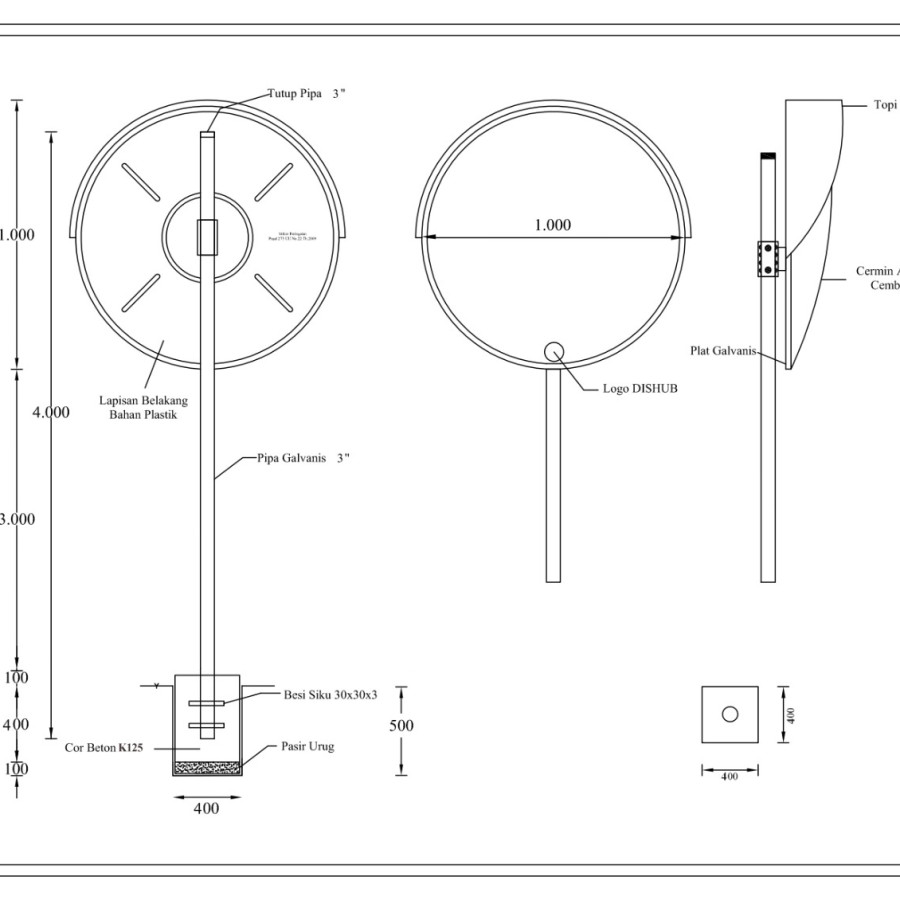
- Cermin tikungan / cembung menggunakan dari bahan acrylic; - Diameter cermin 1.000 mm; - Cermin tikungan / cembung dilengkapi dengan bingkai dan topi cermin; - Bagian belakang cermin terbuat dari plat galvanis; - Tiang penyangga dibuat dari besi galvanis dengan ukuran diameter 3 inchi; - Tinggi cermin tikungan 4.000 mm disesuaikan dengan hasil manajemen dan rekayasa lalu lintas; - Pada bagian belakang cermin tikungan dibubuhi Stiker perlengkapan jalan tulisan sumber pendanaan, tahun anggaran dan isi pasal 275 UU Nomor 22/2009 Tentang Lalu Lintas dan Angkutan Jalan; - Pondasi menggunakan beton campuran 1 : 2 : 3 dengan dimensi P : 400 x L : 400 x T : 500 mm, 100 mm muncul di permukaan, 400 mm berada di dalam tanah; - Pada bagian tiang yang tertanam ditanah harus dipasang angkur paling sedikit 2 (dua) buah untuk penguat pondasi; - Untuk melindungi tiang dari kemungkinan turun, dasar lubang harus dikeraskan dengan lapisan pasir padat minimal setebal 100 mm; - Tiang cermin tikungan harus dipasang pada posisi tegak lurus, ketinggian disesuaikan dengan kebutuhan di lokasi.